Логотип Model Studio CS Электротехнические схемы

Model Studio CS Электротехнические схемы

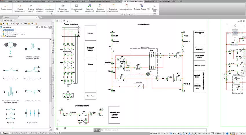
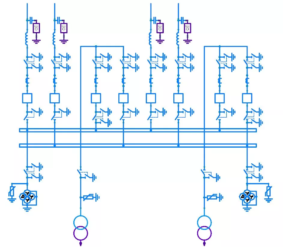
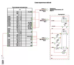
Программа предназначена для разработки всех типов электротехнических схем (марки ЭС, ЭХЗ, ЭК1, ЭК2, ЭН, ЭОО, А, СОП, ЭМ1, ЭМ2, ЭО, СС, ОПС). Инженерный программный комплекс для создания и корректировки полного перечня электротехнической документации, включая схемы принципиальные, схемы подключения кабелей, схем кабельных связей, однолинейных схем, схем ИТС и пр. 
  • Поддержка форматов DOC, XLS
  • Входит в ЕРРП Да
  • Операционная система Linux, Windows

Информация взята из открытых источников

Этапы
Проектирование
Для кого
Проектировщики, инженеры

Какие задачи решает Model Studio CS Электротехнические схемы

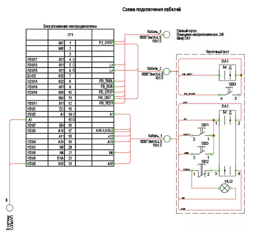
формирование схем подключения кабелей и схем кабельных связей

отрисовка схемы размещения ИТС

встроенный спецификатор позволяет осуществить компоновку по заданной табличной форме любую информацию по разрабатываемому проекту

автоматическое построение, посредством указания двух соединяемых узлов с предварительным или последующим занесением марки жилы (в зависимости от настроек пользователя)

построение линии вручную, посредством команды «Создать линию» с ручной трассировкой по схеме

Системные требования

ОС
Windows 10 ,

Windows 11

Язык
Русский

Размер
1
Дата выпуска
Январь 2001

Дата изменения
01.01.0001
Версия
1

Галерея

Model Studio CS Электротехнические схемы
Model Studio CS Электротехнические схемы
+ 2

Стоимость Model Studio CS Электротехнические схемы

Стоимость рассчитывается индивидуально

Похожие продукты

PlantLinker

ПлантЛинкер

Программный продукт для проектирования и 3D‑моделирования промышленных объектов и сложных технологических установок непрерывного производственного цикла

Project Studio CS Электрика

CSoft Development

Программный продукт предназначен для автоматизированного проектирования в части силового электрооборудования (ЭМ), внутреннего (ЭО) и наружного (ЭН) электроосвещения промышленных и гражданских объектов

Project Studio CS Водоснабжение

CSoft Development

Программный продукт, предназначенный для проектирования систем водопровода и канализации по отечественным стандартам, в котором объединены расчетная и графическая части проекта

Отзывы

Будь первым — оставь свой отзыв!

Поделитесь своим мнением о продукте и помогите другим пользователям сделать выбор

Войдите или зарегистрируйтесь, чтобы оставить отзыв