- Общестроительное проектирование Открыть/закрыть
- CAD и Офис Открыть/закрыть
-
Среды общих данных
Открыть/закрыть
-
Среды общих данных
-
SIGNAL DASHBOARD
-
АДЕПТ:СЭД
-
LITEBIM Documents
-
S Info
-
Экзон
-
Sodis Docs
-
Pilot-BIM
-
Lement Pro
-
BIMdisk
-
Экзон.ПИР
-
Vitro-CAD
-
Pilot-FLY
-
BIMIT
-
Cerebro
-
NS Project
-
СУИД НЕОСИНТЕЗ
-
ИНГИПРО
-
ReClouds
-
G-Tech
-
IRMA
-
СОД Sarex
-
КАПСТРОЙ
-
BIMeister Flow
-
Family Manager
-
Project Point. ИТДО
-
BIMAR SYSTEM. ПРОИЗВОДСТВО
-
BIMAR SYSTEM. СКЛАД
-
BIMAR SYSTEM. ЛОГИСТИКА
-
Project Point. Среда общих данных
-
SIGNAL DOCS
-
cGIS Pro
-
NovoBIM
-
MacroCRM
-
Pilot-ICE Enterprise
-
TDMS Фарватер
-
LITEBIM Archive
-
nano360
-
Pragmacore
-
Клевер
-
Inspark.Warehouse
-
Inspark.IoT Platform
-
Inspark.Edge
-
СУИД «Плант-Навигатор»
-
СТАКСЕЛЬ
-
ПИРон
-
RSNBIM
-
Appius-PLM Технический документооборот
-
-
Среды общих данных
- Предпроект и визуализация Открыть/закрыть
- Изыскания Открыть/закрыть
- Инфраструктурное проектирование Открыть/закрыть
- Общие и специальные разделы Открыть/закрыть
- Сметная документация Открыть/закрыть
- Строительство Открыть/закрыть
- Эксплуатация зданий сооружений Открыть/закрыть
- Инновационные технологии Открыть/закрыть
- Главная
- Каталог
- Программные решения
- CAD и Офис
- Текстовые редакторы
- SODIS Document Management
SODIS Document Management
SODIS Document Management
Информация взята из открытых источников
- Этапы
- Проектирование
- Для кого
- Проектировщики
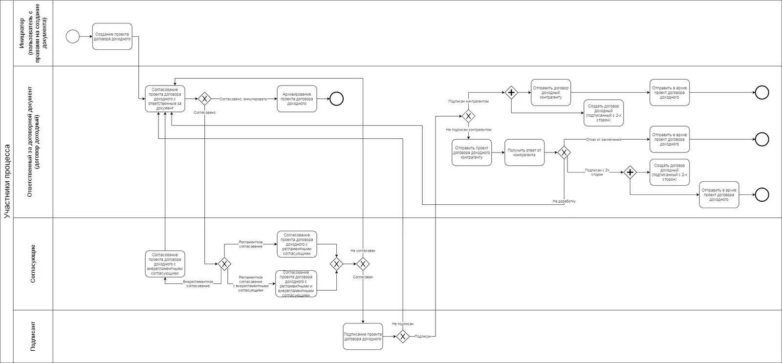
Какие задачи решает SODIS Document Management
подготовка проектной документации в соответствии с ГОСТ Р 21.101-2020
автоматическое создание пояснительной записки
средоставляет удобные инструменты для работы с текстом, таблицами, формулами и чертежами
совместная работа в SODIS Docs
Похожие продукты
Аспро.Cloud
ООО «АСПРО»
Онлайн‑сервис для управления проектами, задачами и финансами. Подходит для проектных и инжиниринговых компаний, архитекторов и ИТ‑отделов. Упрощает контроль, ускоряет работу и помогает держать все под рукой
Отзывы
Будь первым — оставь свой отзыв!
Поделитесь своим мнением о продукте и помогите другим пользователям сделать выбор
Войдите или зарегистрируйтесь, чтобы оставить отзывЗапросить демоверсию
Заполните форму и получите демоверсию
Скачать бесплатный плагин
Заполните форму и получите ссылку для скачивания
Оставить заявку
Заполните форму, и мы свяжемся с Вами в ближайшее время.
Связаться со специалистом
Заполните форму, и мы свяжемся с Вами в ближайшее время.
Узнать стоимость
Заполните форму, и мы свяжемся с Вами в ближайшее время.