Логотип PlantViewer 2D

PlantViewer 2D

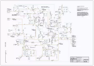
Инструмент просмотра технологических схем (P&ID), изометрических схем, схем электрики и КИП промышленных объектов.

Функциональные возможности
 
  • Конвертация данных и схем Smart P&ID в открытые форматы (XML, SVG)
  • Возможность визуализации схем выполненных в Smart P&ID вне среды разработки
  • Традиционная навигация по 2D-Модели (панорамирование, масштабирование, поиск объектов по наименованиям)
  • Визуализация изометрических чертежей
  • Визуализация электрических схем и схем КИП (Smart Electrical и Instrumentation)
  • Отображение структуры трубопроводной системы
  • Отображение атрибутивных свойств объектов

     

от 44 000 руб.

Финальная цена зависит от конфигурации
  • Мобильное приложение Нет
  • WEB-интерфейс Нет
  • Операционная система Linux, Windows
Этапы
Планирование, Проектирование, Реконструкция, Строительство, Эксплуатация
Для кого
Сотрудники проектных институтов, субподрядчики, экспертные, строительные и пуско-наладочные организации (ГИПы, ГАПы, сметчики, начальники отделов и руководители организация, внешние эксперты)

Формат файла по умолчанию
Свой формат
Поддержка 3D
Нет
Наличие Viewer
Да

Какие задачи решает PlantViewer 2D

просмотр технологических схем (P&ID)

просмотр изометрических схем

просмотр схем электрики и КИП промышленных объектов

Появились вопросы по продукту?

наши специалисты помогут разобраться

Системные требования

ОС
Windows 10x64

Язык
Русский

Размер
66
Дата выпуска
Сентябрь 2021

Дата изменения
21.03.2023
Версия
1.2.1.1

PlantViewer 2D: полезные материалы

  • скачать

    Буклет PlantViewer 2D/3D

    Скачать
  • скачать

    Сведения, содержащиеся в записи о программном обеспечении, включенном PlantViewer

    Скачать

Галерея

PlantViewer 2D
PlantViewer 2D
+ 1

Стоимость PlantViewer 2D

Стоимость от 44 000 рублей. Финальная цена зависит от конфигурации. В стоимость продукта входит ПО, лицензия на срок, техническая поддержка

Похожие продукты

PlantViewer 3D

ПлантЛинкер

Инструмент просмотра 3D‑моделей больших промышленных объектов

Vitro BIM Viewer

Vitro

Дополнительный модуль системы Vitro‑CAD для работы с IFC и RVT моделями в браузере. Создание моделей, их анализ и сравнение версий. Поэтапное добавление новых элементов в единый реестр замечаний Vitro‑CAD

IndorCAD BIM

ИндорСофт

Ключевой программный продукт компании «ИндорСофт» для сопровождения этапа проектирования объекта инфраструктуры в рамках жизненного цикла объекта

Аспро: Ландшафт 2.0

ООО «АСПРО»

Готовый сайт для студий ландшафтного дизайна. Помогает презентовать услуги по благоустройству, озеленению и проектированию участков. Стильный дизайн, тематический контент и гибкие настройки под конкретную студию

Отзывы

Будь первым — оставь свой отзыв!

Поделитесь своим мнением о продукте и помогите другим пользователям сделать выбор

Войдите или зарегистрируйтесь, чтобы оставить отзыв